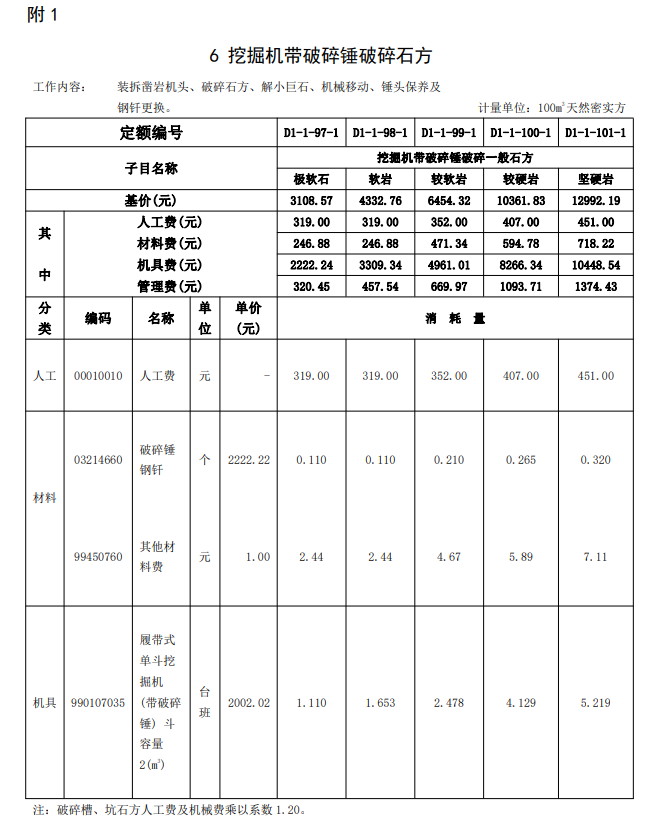
更换
010-68018529
微信号:公众号:中和德汇

新闻资讯

News Information

广东省建设工程标准定额站《关于印发广东省建设工程定额动态调整的通知》(第34期)

时间:2024-05-31 来源:德汇 浏览量:466

2024-05-27 09:00:00

粤标定函〔202431


各有关单位:

近期,我站组织专家研析了广东省建设工程定额动态管理系统收集的反馈意见,现将《广东省市政工程综合定额(2018)》《广东省建设工程施工机具台班费用编制规则(2018)》相关调整内容印发给你们,请遵照执行。

本调整内容与我省现行工程计价依据配套使用,除合同另有约定外,已经合同双方确认的工程造价成果文件不作调整。执行中遇到的问题,请通过“广东省工程造价信息化平台—建设工程定额动态管理系统”及时反馈。

附件:《广东省建设工程计价依据(2018)》动态调整内容


广东省建设工程标准定额站

2024年523