010-68018529
微信号:公众号:中和德汇
2024-03-11 09:00:00
粤标定函〔2024〕10号
各有关单位:
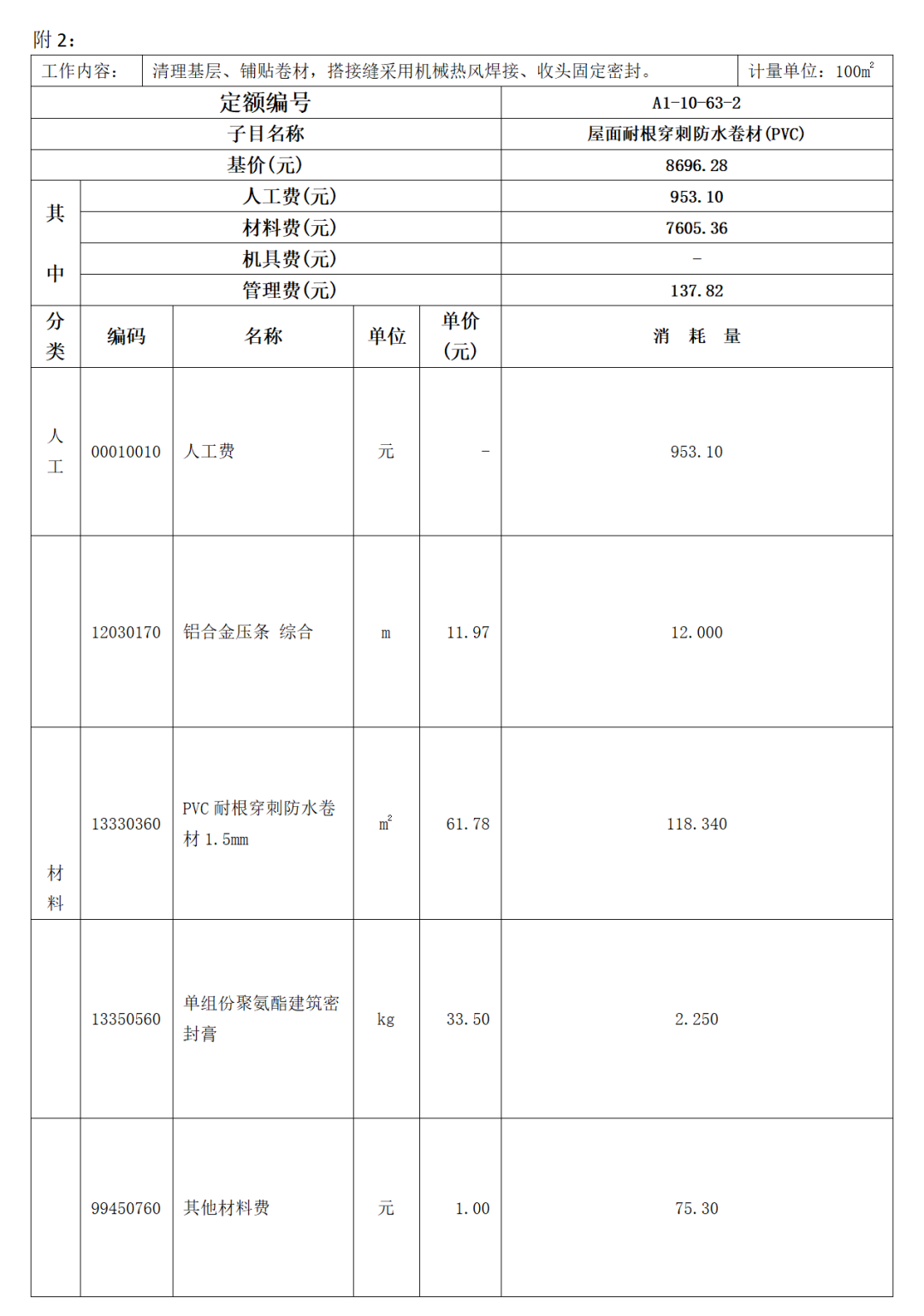
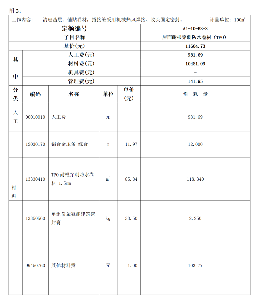
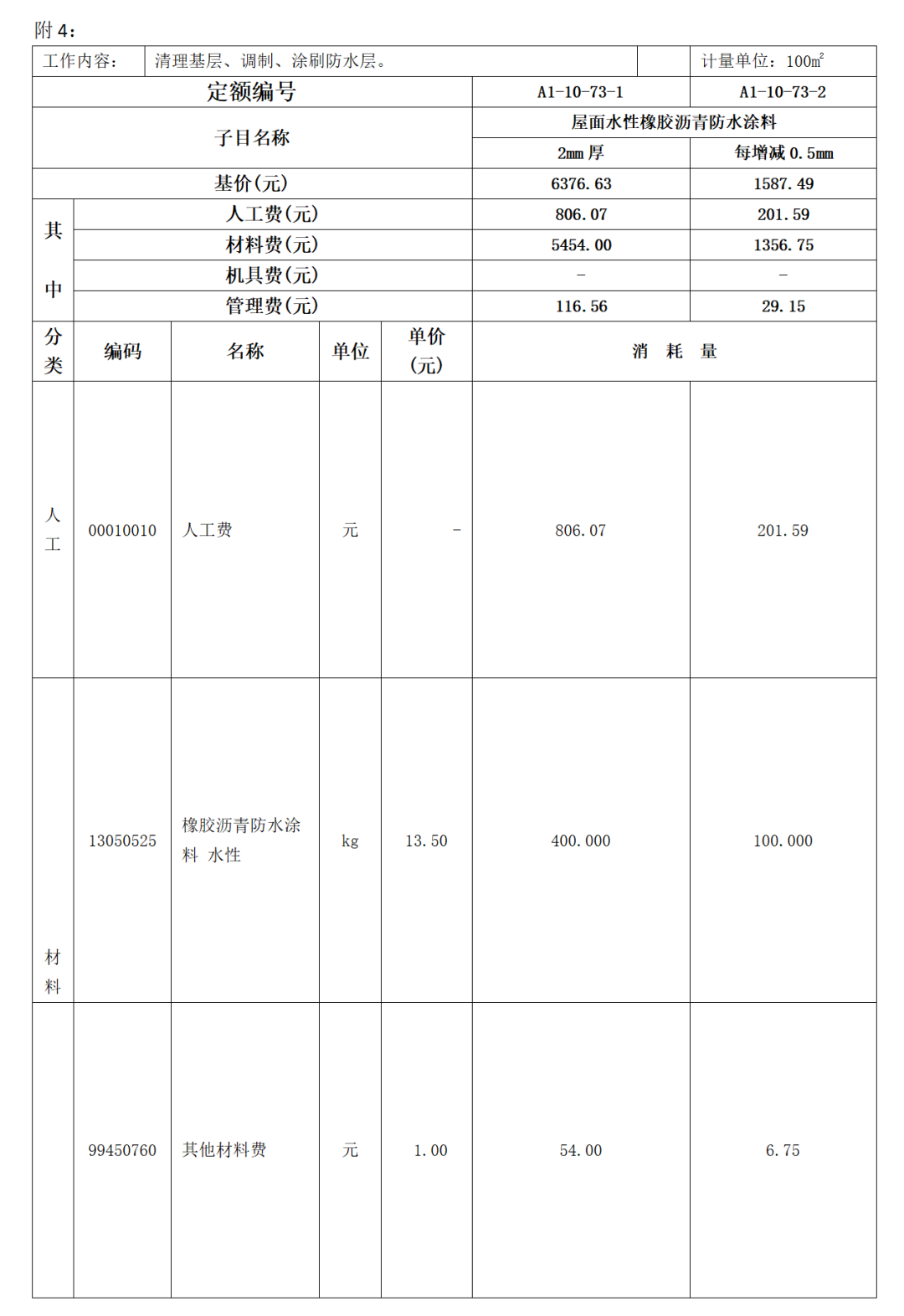
《建筑与市政工程防水通用规范》GB55030-2022(以下简称为“防水通用规范”)已颁布实施,根据新旧防水规范之间的差异,我站组织专家调整了《广东省房屋建筑与装饰工程综合定额 2018》防水项目相关内容,现印发你们。所调整内容与我省现行工程计价依据配套使用,除合同另有约定外,已经合同双方确认的工程造价成果文件不作调整。执行中遇到的问题,请通过“广东省工程造价信息化平台—建设工程定额动态管理系统”及时反映。
广东省建设工程标准定额站
2024年 2月20日













